深圳蒲江機電有限公司 |
|
| 聯系人:陳凱 | 電話:0755-86170789 |
| 傳真:0755-86171515 | 地址:深圳市南山區創業路現代城華庭四棟10A |
| 郵編:518000 | 郵箱:2480713845@qq.com |
| 網址:http://www.szpujiang.com | |
蝸輪絲桿減速機JRSS-R系列
產品參數:
產品型號: JRSS-R/T/S/H額定功率:null電壓:null轉速/極數:null減速比:null安裝方式:null
詳細參數
蝸輪絲桿減速機JRSS-R系列產品傳動效率高,低噪音,低振 動,低溫升,長壽命,無泄漏,體積小,傳動扭矩大,模塊化設計,速比覆蓋范圍大,安裝形式多樣,適合各種工業應用場合。
l 低噪音 所有齒輪運用獨特低噪聲設計和加工技術;箱體減振降噪優化設計;軸承間隙裝配調整控制技術。
2 無滲漏 輸出軸采用特殊的磨削工藝;輸出軸采用不同的熱處理方法;
采用高品質的平面密封膠和螺紋緊固膠;油封唇口涂布特殊的高溫潤滑脂。
3 長壽命 采用進口原裝一流品牌的軸承、油封;先進的熱處理技術,齒輪內在質量有了可靠的保證;使用高品質的潤滑油,確保產品長壽命使用。
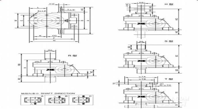
蝸輪絲桿減速機JRSS-R系列詳細圖紙:









|
無錫二橡膠股份有限公司 |
常州市潤源經編機械有限公司 |
|
青島云龍紡織機械有限公司 |
黃石經緯紡織機械有限公司 |