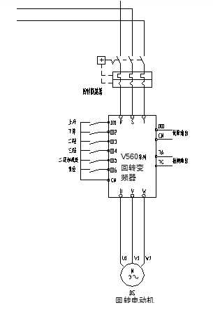
3.2回轉機構方案及配置
回轉部分采用V560高性能矢量變頻器,4kW,高精確的穩速精度和快速響應能保證回轉軟起軟停,并最大限度保護機械部分。接線圖如下:

回轉部分參數調試
如起升部分電機參數輸入自學習后,輸入應用參數
代碼名稱 | 參數說明 | |
F1.0.03=1 | 加速時間 | 加速時間為1S |
F1.0.04=20 | 減速時間 | 減速時間為20S |
F3.0.00=7 | DI1為正轉 | DI1為正轉 |
F3.0.01=8 | DI2為反轉 | DI2為反轉 |
F3.0.02=1 | DI3為多段速1 | DI3為多段速1 |
F3.0.03=2 | DI4為多段速2 | DI4為多段速2 |
F3.0.05=13 | DI6為故障復位 | DI6為故障復位 |
F3.1.12=6 | DO1為故障輸出 | DO1為故障輸出 |
F6.0.00=25 | 第二段速度 | 25HZ |
F6.0.02=35 | 第三段速度 | 35HZ |
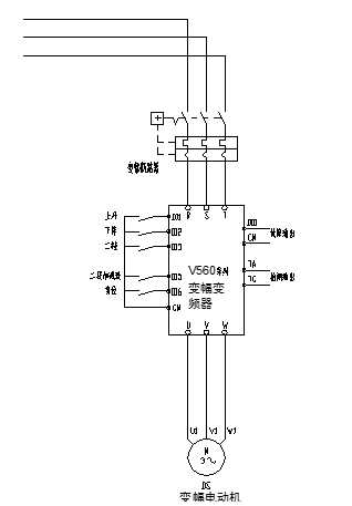
3.3 變幅機構(小車部分)方案及配置
變幅部分采用4kW高性能矢量變頻器V560系列,其系統接線圖如下:

變幅部分參數調試
<<上一頁[1][2][3][4]下一頁>>
相關信息 







推薦企業
推薦企業
推薦企業