- [產品]-->直線系列AMZ直線
- [產品]-->臺灣潭子DS心軸分割器
- [產品]-->臺灣潭子DF凸緣型分割器
產品推薦
產品分類
聯系方式
- 聯系人:陳凱
- 郵 箱:2480713845@qq.com
- 地 址:深圳市南山區創業路現代城華庭四棟10A
- 手 機:18929311955
- 電 話:0755-86170789
- 傳 真:0755-86171515
- 網 址:http://www.szpujiang.com
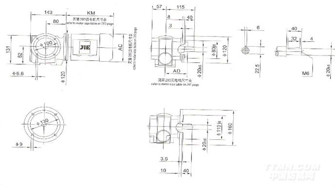
杰牌硬齒面減速機JRTS系列
發布時間:2014-08-20
硬齒面減速機JRTS系列
產品參數:
產品型號: JRTS額定功率:0.12~250KW電壓:null轉速/極數:null減速比:6.8~11267安裝方式:null
詳細參數
硬齒面減速機JRTS系列齒面為硬齒面,齒輪結構為斜齒輪。斜齒輪--蝸輪蝸桿減速電機。有時也叫硬齒面減速器也減速馬達,有底腳安裝,法蘭安裝等多種安裝方式。硬齒面減速機JRTS系列為最常見的傳動結構。
硬齒面減速機JRTS系列設計方案:
JRTS..D..:底腳安裝斜齒輪--蝸輪蝸桿齒輪減速電機
JRTSF..D..:法蘭盤安裝斜齒輪--蝸輪蝸桿減速電機
JRTSAF..D..:B5法蘭空心軸安裝斜齒輪--蝸輪蝸桿齒輪減速電機
JRTSHF..D..:B5法蘭空心軸鎖緊盤安裝斜齒輪--蝸輪蝸桿齒輪減速電機
JRTSA..D..:空心軸安裝斜齒輪--蝸輪蝸桿齒輪減速電機
JRTSAZ..D..:B14法蘭空心軸安裝斜齒輪--蝸輪蝸桿減速電機
JRTSAZ..D..:B14法蘭空心軸鎖緊盤安裝斜齒輪--蝸輪蝸桿齒輪減速電機
JRTS斜齒輪蝸輪蝸桿減速電機底腳安裝斜齒輪-蝸輪蝸桿齒輪減速電機。有雙軸,單軸,出力法蘭,入力法蘭等。斜齒輪蝸輪蝸桿減速電機產品規格17~187;傳動比1。3~289。74;輸入功率0。12~200KW;輸出轉矩14~62800N . M。共四大系列上千萬種不同的規格、傳動比、聯接方式可供選用.
硬齒面減速機JRTS系列使用說明:
1.1安裝注意事項
11.1 減速機須安裝在平整堅固的底座上,底腳螺栓必須緊固、防震。
1.1.2 原動機--減速機--工作機的各聯接軸伸.安裝后必須互相準確對準軸線。
1.1.3 減速機輸入端及輸出端軸伸外徑尺寸公差均按h6制作.與之相配的聯軸器、皮帶輪、鏈輪等傳動件內孔須按合適的尺寸公差配制,避免裝配過緊損壞軸承.裝配過松影響正常動力傳遞。
1.1.4 鏈輪、齒輪等傳動件裝上軸伸時.應盡量靠近軸承.以減少軸伸彎曲應力。
1.1.5 WPD型減速機裝配電機時,應在蝸桿頭部內孔孔壁及鍵槽處涂抹黃油.避免裝配過緊.防止軸孔日久生銹。
1.1.6 訂購使用各類WPD減速機時.若電機重量偏大.應設支撐裝置。
1.2使用注意事項
1.2.1 使用前應注憊檢查減速機型式結構、中心距規格、傳動比、拍入軸連接方式、輸出軸結構、輸入軸輸出軸軸指向和回轉方向等是否符合使用要求。
1.2.2 按照樣本上“油品潤滑”中所規定的要求,注入合適的品種牌號潤滑油。加油后,旋緊頂部的通氣器,拔掉通氣器上之小錐塞.減速機方可開始運轉.必須選用合適牌號的潤滑油.必須控制適宜的加油量。必須按規定要求及時換油.尤其要重視首次使用100小時后的更換新油。
1.2.3 使用過程中發生不正常情況時.應及時停機檢查,可參照“故障分析”表處理。(減速機的油溫最高允許達到95℃.在此溫度界限下.只要油溫不再上升.可以放心使用)。
硬齒面減速機JRTS系列詳細圖紙:






