- [產品]-->精密齒輪減速電機80ZGP555
- [產品]-->精密齒輪減速電機56ZGP555
- [產品]-->精密齒輪減速電機48BPP20
您所在的位置:紡機網 >> 常州市合泰電機電器有限公司 >> 直線混合式步進電機系列57BYGHL
產品推薦
產品分類
聯系方式
- 聯系人:于益平
- 郵 箱:info@ht-motor.com
- 地 址:江蘇省常州市武進區遙觀鎮勤新村工業集中區
- 電 話:0519-88898178(總機) 0519-88385510(銷售)
- 傳 真:0519-88770911
- 網 址:http://www.ht-motor.com
直線混合式步進電機系列57BYGHL
發布時間:2012-04-11
產品名稱:直線混合式步進電機
產品型號:57BYGHL
使用材料:-
產品規格:-
所屬分類:直線混合式步進電機系列
文檔下載:點擊下載PDF文件57BYGHL
產品簡介:
HYBRIDLINEARACTUATORS(直線混合式步進電機)
GeneralSpecifications(詳細說明):
StepAccuracy…………………………………………………±5%
TemperatureRise…………………………………………80℃Max
AmbientTemperatureRange…………………………-20℃~+50℃
InsulationResistance………………………100MΩMin.500VCDC
DielectricStrength………………………………500VAC1S
ElectricalSpecifications(技術數據):
| 電機型號 Model |
步矩角 Step angle (º) |
機身長 Motor Length L(mm) |
相電壓 Rated voltage (V) |
相電流 Rated Current (A) |
相電阻 Phase Resistance (Ω) |
相電感 Phase Inductance (mH) |
靜轉矩 Holding Torque (N.cm) |
引線數 Lead Wire (NO.) |
轉動慣量 Rotor Inertia (kg.cm²) |
定位力矩 Detent Torque (kg.cm) |
重量 Motor weight (kg) |
| 57BYGHL013 | 0.04 | 41 | 2.7 | 1.5 | 1.8 | 4 | 0.4 | 4 | 0.12 | 0.21 | 0.45 |
| 57BYGHL216 | 0.04 | 51 | 3.3 | 1.7 | 1.95 | 6 | 1 | 4 | 0.275 | 0.36 | 0.65 |
| 57BYGHL401 | 0.04 | 56 | 6 | 0.6 | 10 | 32 | 0.9 | 4 | 0.3 | 0.4 | 0.7 |
| 57BYGHL602 | 0.04 | 78 | 10.4 | 0.8 | 13 | 42 | 1.98 | 4 | 0.48 | 0.68 | 1 |
*以上僅為代表產品,派生產品可根據客戶要求制作
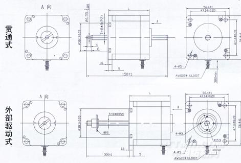
Mechanical Dimensions(外型圖)
.jpg)
Wiring diagram(接線圖):
.jpg)






