- [新聞]-->海寧紡機——紡織整理技術引領者
- [新聞]-->海寧紡機起毛剪毛設備更精密
- [新聞]-->海寧紡機堅持做好做精做強做大
- [產品]-->MA476D/MA476J型高效起毛機
- [產品]-->LMB826/LMB1A/LMB2A型起毛剪毛聯合機
- [產品]-->ME509B型精密剪毛機
產品推薦
產品分類
聯系方式
- 聯系人:肖月
- 郵 箱:yxzx@cnhnfj.com
- 地 址:海寧經濟開發區石涇路22號
- 手 機:13600569290
- 電 話:0573 87079088
- 傳 真:0573-87079080
- 網 址:http://www.cnhnfj.com
ZME406型鋼針拉毛機
發布時間:2012-03-21
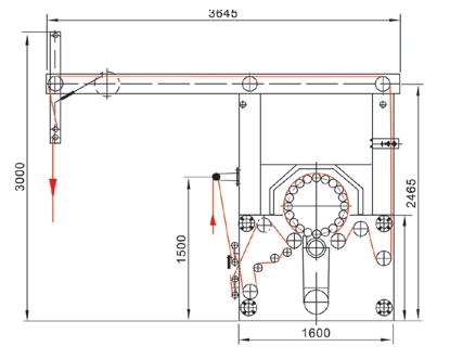
產品介紹:
用途:
本機主要適用于棉及化纖針織物包括圓筒和開幅針織物表面的起毛,也適用于襪褲、駱駝絨、粗紡呢、毛毯等表面的起毛。
主要技術參數:
項 目 參 數
公稱寬度(mm) 1800 2000 2500
布 速(m/min) 10~22(6級)
錫林轉速(r/min) 148
針輥數量(根) 20 18
針輥直徑(mm) ф61 ф70
電動機功率(不包括吸塵風機)(Kw) (主電機)7.5 (擴幅輥電機)2.2
外形尺寸(L×W×H)mm 3645x3580(3780\4280)x3000
機器重量(kg) 毛重 4900 5100 5700






