- [新聞]-->日發紡機——致力創造機電“數字科技”
- [新聞]-->日發紡機:新技術引領新未來
- [新聞]-->6月14-17日浙江日發紡機參加第十五屆上海國際紡機展
- [產品]-->RFRL31 節能高速劍桿織機
- [產品]-->RS40 全自動轉杯紡紗機
- [產品]-->RF231D并紗機
- [視頻]-->浙江日發紡織機械有限公司
產品推薦
產品分類
聯系方式
- 聯系人:日發紡機
- 郵 箱:sales.tm@rifa.com.cn
- 地 址:浙江省新昌縣高新技術產業園區(南巖)日發數字科技園
- 電 話:0575-86299078
- 傳 真:0575-86299077
- 網 址:http://www.rifatm.com
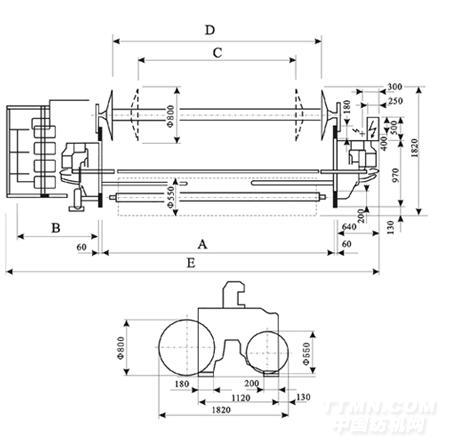
GA731-II型劍桿織機
發布時間:2012-07-24
適用于各種天然纖維(如棉、毛、絲、麻)以及各種人造纖維和合成纖維的織造。可織單幅、雙幅和多幅織物,特別適合寬幅色織。
產品特點:
1、 該機結構緊湊,操作方便,更換織物調整容易;自動化程度高,適織范圍廣等特點;
2、 采用微電腦控制系統,具有自動尋緯、故障檢測、自動選緯、斷經自動停車、斷緯自動停車、液晶顯示等功能。
3、 開口機構采用積極式下置多臂機。根據設計的織物組織,由預先編制的紋紙或程序控制綜框的升降運動。亦可配備電子多臂機。
4、 引緯機構是雙劍單側供緯,由共軛凸輪驅動的撓性劍帶和夾持式鉗緯器在中央交接緯紗完成引緯。優化設計精密加工的共軛凸輪控制整個引緯過程,可使劍桿頭運動規律更趨合理,確保織機高速運轉時緯紗張力穩定、交接可靠、運行平穩。
5、 打緯機構由共軛凸輪驅動短筘座腳分離式筘座,利用慣性打緯,以減小運動的沖擊和能量消耗。與引緯共軛凸輪具有同樣高精度的打緯共軛凸輪,驅動堅固的短筘座,確保在織造高密織物以及厚重織物時的打緯力。
6、 積極式送經機構采用復式調節系統,保證送經均勻與送經張力穩定。
7、 卷取機構由蝸輪、蝸桿及鏈輪積極連續地傳動卷取輥,實現連續卷取。
8、 選緯最多可達8色,可進行不規則選緯。可選擇電子選緯和機械選緯。
9、 由4kw的主電動機通過電磁制動離合器傳動織機各個機構。電磁制動離合器同電控系統配合,可準確控制織機的啟動、定位停車、點動等功能。
10、 具有紗羅絞邊裝置,可配備折入邊及熱熔邊裝置。
11、 主要傳動輪系采用油浴潤滑,擺軸軸承采用定期強迫潤滑,無油浴部位采用密封軸承。
技術規格:
外形尺寸圖:






