湖北行星傳動設備有限公司 |
|
| 聯系人:陳麗華 | 電話:027-82666066 |
| 傳真:027-59706390 | 地址:湖北省武漢市武昌區街道口珞珈山大廈A2507室 |
| 郵編:510300 | 郵箱:gearmotor_gz@126.cn |
| 網址:http://www.cngearboxes.com/ | |
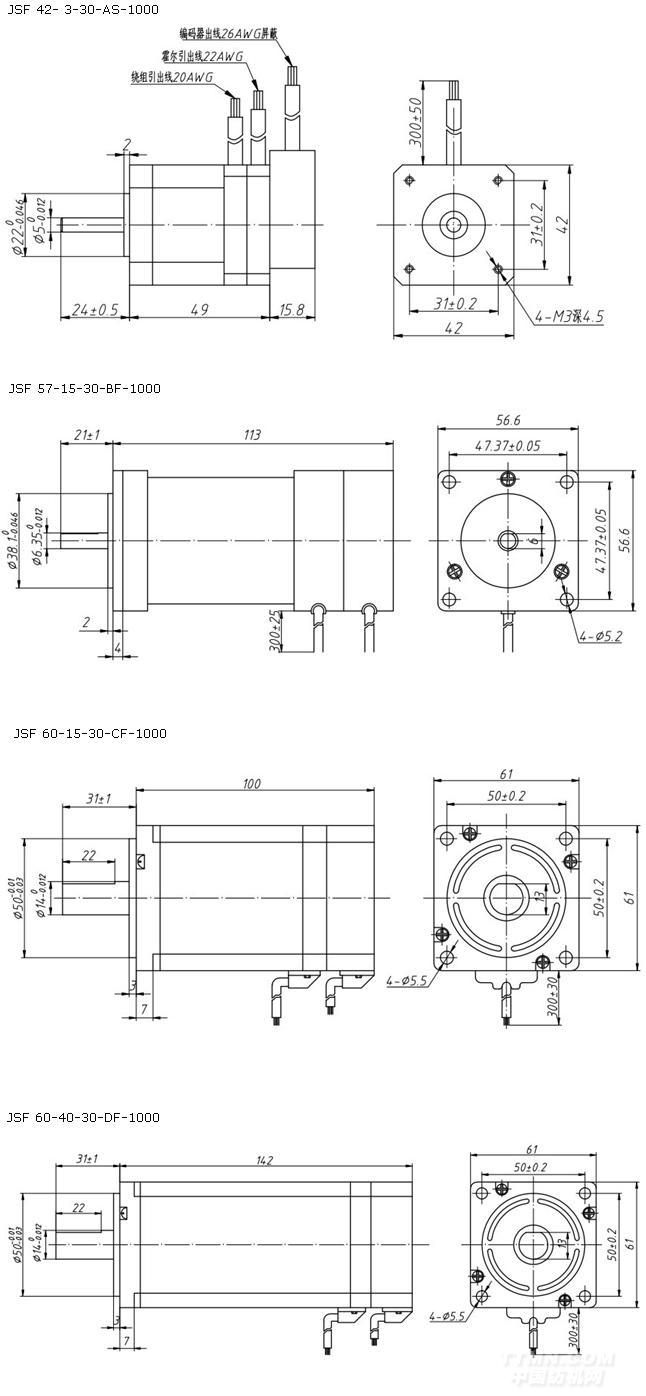
● JSF系列伺服電機安裝尺寸
.jpg)
JSF系列伺服電機技術參數:
|
電 機
型 號
|
額定
功率
(W)
|
電壓
(VDC)
|
電流
(A)
|
極數
|
額定轉速(Rpm)
|
額定
扭矩
(Nm)
|
峰值
扭矩
(Nm)
|
力矩
常數
(Nm/A)
|
編碼器
分辨率
|
機身
長度
(mm)
|
重量
(KG)
|
|
JSF 42- 3-30-AS-1000
|
32
|
24
|
2.3
|
8
|
3000
|
0.1
|
0.35
|
0.057
|
1000
|
64
|
0.42
|
|
JSF 57-15-30-BF-1000
|
150
|
36
|
7.3
|
8
|
3000
|
0.5
|
1.75
|
0.06
|
1000
|
113
|
0.7
|
|
JSF 60-15-30-CF-1000
|
150
|
48
|
5.5
|
8
|
3000
|
0.5
|
1.75
|
0.069
|
1000
|
100
|
1.25
|
|
JSF 60-40-30-DF-1000
|
400
|
72
|
9.3
|
8
|
3000
|
1.3
|
4.5
|
0.093
|
1000
|
142
|
1.8
|









|
無錫二橡膠股份有限公司 |
常州市潤源經編機械有限公司 |
|
青島云龍紡織機械有限公司 |
黃石經緯紡織機械有限公司 |