常州市合泰電機電器有限公司 |
|
| 聯系人:于益平 | 電話:0519-88898178(總機) 0519-88385510(銷售) |
| 傳真:0519-88770911 | 地址:江蘇省常州市武進區遙觀鎮勤新村工業集中區 |
| 郵編: | 郵箱:info@ht-motor.com |
| 網址:http://www.ht-motor.com | |
產品名稱:混合式步行電機
產品型號:86BYGX
使用材料:-
產品規格:-
所屬分類:混合式步進電機系列
文檔下載:點擊下載PDF文件86BYGX
產品簡介:
HYBRIDSTEPPINGMOTOR(混合式步進電機)
GeneralSpecifications(詳細說明):
StepAccuracy…………………………………………………±5%
TemperatureRise…………………………………………80℃Max
AmbientTemperatureRange…………………………-20℃~+50℃
InsulationResistance………………………100MΩMin.500VCDC
DielectricStrength………………………………500VAC1minute
ElectricalSpecifications(技術數據):
| 電機型號 Model |
步矩角 Step angle (º) |
機身長 Motor Length L(mm) |
相電壓 Rated voltage (V) |
相電流 Rated Current (A) |
相電阻 Phase Resistance (Ω) |
相電感 Phase Inductance (mH) |
靜轉矩 Holding Torque (N.cm) |
引線數 Lead Wire (NO.) |
轉動慣量 Rotor Inertia (kg.cm²) |
定位力矩 Detent Torque (Kg.cm) |
重量 Motor weight (kg) |
|
86BYGX450A-003 |
1.8 | 62 | 5.8 | 1.6 | 3.6 | 27 | 0.176 | 4 | 0.64 | 0.8 | 1.6 |
| 86BYGX450A-008 | 1.8 | 62 | 2.35 | 2.5 | 0.94 | 7 | 1.96 | 4 | 0.64 | 0.8 | 1.6 |
| 86BYGX450A-014 | 1.8 | 62 | 1.4 | 4.5 | 0.31 | 1.3 | 1.6 | 8 | 0.64 | 0.8 | 1.6 |
| 86BYGX450B-005 | 1.8 | 92 | 3.6 | 3 | 1.2 | 11 | 4 | 4 | 1.3 | 1.5 | 2.6 |
| 86BYGX450B-008-01 | 1.8 | 92 | 3 | 4 | 0.75 | 3.5 | 2.8 | 8 | 1.3 | 1.5 | 2.6 |
| 86BYGX450B-025 | 1.8 | 92 | 2.8 | 4 | 0.7 | 9.8 | 4.1 | 4 | 1.3 | 1.5 | 2.6 |
| 86BYGX450C-008-03 | 1.8 | 129 | 4.2 | 3.5 | 1.2 | 5.2 | 4 | 8 | 1.9 | 2.5 | 3.8 |
| 86BYGX450C-003-02 | 1.8 | 129 | 4 | 4 | 1 | 6 | 4 | 8 | 19 | 2.5 | 3.8 |
*以上僅為代表產品,派生產品可根據客戶要求制作
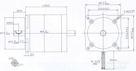
Mechanical Dimensions(外型圖)
.jpg)
Wiring diagram(接線圖):
.jpg)









|
無錫二橡膠股份有限公司 |
常州市潤源經編機械有限公司 |
|
青島云龍紡織機械有限公司 |
黃石經緯紡織機械有限公司 |