深圳蒲江機電有限公司 |
|
| 聯系人:陳凱 | 電話:0755-86170789 |
| 傳真:0755-86171515 | 地址:深圳市南山區創業路現代城華庭四棟10A |
| 郵編:518000 | 郵箱:2480713845@qq.com |
| 網址:http://www.szpujiang.com | |
升鴻單段鼓風機EHS429/439
產品參數:
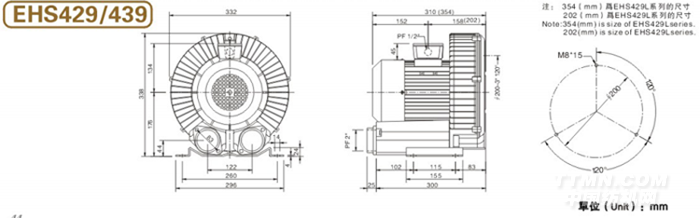
產品型號: EHS429/439額定功率:1.5~2.2KW電壓:220v/415v風量:3.6風壓:180/270轉速/極數:null安裝方式:null
詳細參數
單段鼓風機EHS429/439質量和安全有極大保障:吹吸兩用,采用德國技術,特殊葉片設計,壓力高、風量大、噪音低、壽命長。 2、特殊峋調節風門,風量控制穩定性高,操作容易。 3、樣式種類齊全。絕緣性能強,安裝容易, 可靠性高,高壓縮比,軸承運轉溫度低,無油無污染,保養容易,外觀優美,吹吸雙功能, 最高品質. 造就一流品質。高壓和高吸力的產生在于葉輪獨特的設計。旋渦氣泵的葉輪邊緣帶有多個葉片,當葉輪旋轉時,由于離心作用,兩個葉片中的空氣被快速地往外緣方向運動,傳轉輸能量,風壓被快速疊加,便形成了高壓或高力其速度得到增加。當空氣被風道重新導入葉輪后,將再次被加速。由于多個葉片傳轉輸能量,風壓被快速疊加,便形成了高壓或高吸力。品質保用一年,終身維護
高壓鼓風機,高壓風機,鼓風機,離心式鼓風機,上海高壓風機,高品質-低噪音-新設計-風量大-壓力高-壽命長-保養容易-鋁合金外殼重量輕-外觀小巧-吹吸雙功能
1、高壓風機暢銷全球 每臺鼓風機在出廠前均經過嚴格測試。
2、高壓鼓風機電壓:萬國電壓50HZ/60HZ(220V-380V-415V)特殊電壓可訂做!
3、高壓鼓風機功率:0.18KW-25KW
單段鼓風機EHS429/439的特點
一般情況下,高壓風機具有以下特點:
1、具有吹吸雙功能,一機兩用,可以用吸風,也可以用吹風;
2、無油運轉,輸出的空氣是干凈的;
3、相對于離心風機和中壓風機來說,其壓力高很多,往往是離心風機的十 幾倍以上。
4、如果泵體是整體壓鑄,并且使用了防震安裝腳座,那么它對安裝基礎的要求也是很低的,甚至可以不用固定腳座即可正常運轉,非常的方便,也非常的節省安裝費用和安裝周期;
5、相對到其它類型的風機,比如羅茨風機,其運轉的噪音較低,功率越大越明顯,5.5KW以上就會顯示出來;
6、免維護使用;它的損耗件僅僅是兩個軸承,在質保期之內,基本上不需要維護;
7、高壓風機的機械磨損非常微小,因為除了軸承之外,沒其它的機械接觸部分,所以,使用壽命當然也是非常的長,只要是處于正常的使用條件下,3~5年是完全沒有問題的。
8、高壓風機 :采用德國先進技術,在通過加上一體式的銷音設施,改進了高壓風機靜音現像,而提升了靜音的效果2、可靠性高當使用情況變化時,機器仍可安全運轉。除了葉輪之外,高壓鼓風機沒有其他動作,因此可靠性之高幾乎免維修。使用獨一無二且散熱良好的精密外側軸承,因此它具有下列優點:高壓縮比;軸承運轉溫度低;潤滑油脂壽命長;免保養。 3.安裝容易 配備齊全,可隨時安裝與使用,供壓縮空氣或用于抽真空,也可任意安裝于水平或垂直的方向。 4.無油無污染 葉輪旋轉時,不與任何部分零件接觸,免潤滑,因此可保證百分之百無污染。 5.最高品質 經過17年的專業制造經驗,最精密機械設計加上慎重電機配合標準儀器測試,使用所有零件均能達到最高品質要求,運用標準ip54,f級馬達效率高,故障極少,馬達與鼓風機之間有軸封分試,預防異物進入。同時為確保功能效果,每一臺鼓風機在出廠前均經過嚴格測試。 6.電壓:萬國電壓型,50HZ 60HZ均可用,無論您的產品是出口至歐美的使用60Hz,高電壓的國家,還是中東,非洲等使用50Hz電壓的國家及地區,本風機均能達到要求,功能產齊全,讓您無后顧之憂! 適應行業:劍桿織機、絲網印刷機、成像機、照排機、切紙,醫療設備,食品機械,各式燃燒機,鍋爐設備,環保設備,木工機械、除塵設備,pcb設備,除濕干燥機清洗設備,,吸塵設備,公共場所供氧,干洗設備,等等
9、風機大量銷往國內外市場,聲明卓著,供不應求;因感於全球產業蓬勃發展,故決意增廠制銷,以供國內所需,進而外銷海外各地,高壓鼓風機為生產製造業廣泛需用之機械,粉粒料的排,吸法輸送,液體攪拌和裝瓶,燃燒和養殖的供氧.散熱設備及環境之冷卻,無觀存在不需要它;由於高壓氣流的進口和氣流下端有負壓,因之亦可作為吸著應用.塑膠,金屬,化工,礦業,養魚,醫療,裝填,包裝等等,均有極大的需求.









|
無錫二橡膠股份有限公司 |
常州市潤源經編機械有限公司 |
|
青島云龍紡織機械有限公司 |
黃石經緯紡織機械有限公司 |