深圳市正弦電氣有限公司 |
|
| 聯系人:正弦電氣 | 電話:0755-86267221 86267206 |
| 傳真:0755-86267136 | 地址:深圳市南山區科技工業園24號樓南樓四層 |
| 郵編:518057 | 郵箱:sinee@sinee.cn |
| 網址:http://www.sinee.cn | |
.jpg)
EM309A系列 拉絲機收卷專用變頻器
產品特點:
1.完全意義上的傻瓜型拉絲機收卷專用型變頻器;
2.只需正確接線,不需設定變頻器的功能參數,開機即能正常工作;
3. 可在張力平衡桿的下限位、中點零位或上限位等任意位置開機;
4.既可與拉絲機主機配合又能自為一體獨立控制收卷張力;
5.既可手工設定又能自動識別機械傳動比,控制方便、靈活;
6.自動跟蹤拉絲線速度,張力平衡桿基本維持在平衡桿中點位置;
7.無論空盤、半盤、滿盤;無論粗線、細線;無論低速、中速、高速,張力始終恒定;
8.變頻器與電機同功率適配使用,無需放大變頻器的容量。
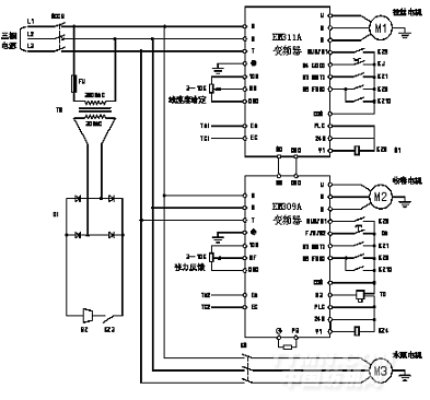
應用接線圖:
.bmp)









|
無錫二橡膠股份有限公司 |
常州市潤源經編機械有限公司 |
|
青島云龍紡織機械有限公司 |
黃石經緯紡織機械有限公司 |