>>電氣系統智能化、自動化
電器控制系統由日發公司自主開發,系統穩定可靠。高清晰的液晶顯示面板。智能化的數字電子控制系統具有人機對話、自動檢測、故障報警、密度調節、自動潤滑、成品輸出、產量 統計及根據工藝自動變換轉速等功能。該數據可通過U盤或與電腦連接進行讀寫操作,機器軟件可在線升級。 加油機用計算機程序控制,按加油命令進行加油且具有油量分配、油位感知、油壓報警等功能。
>>花型準備系統
基于windows操作系統的鏈條程序軟件,命令對話框式操作,操作方式類似于一般應用軟件,簡單易學,使客戶可以在短時間內熟練掌握使用。基于windows操作系統的花型軟件,操作 方式類似于一般的圖片處理應用軟件(如Photoshop等),使客戶可以在短時間內學會使用;可以把其它圖片導入處理,既可以兼容市場上的主流機型的花型。編程系統可根據用戶的各種 要求來編織各種組織的織物,可任意設計服裝的樣式。
【 技術規格 】
篋目 RFSM08
產品用途 適合于編織各種內衣、內褲、文胸、運動服、外裝等
適用編織紗線 棉紗、毛紗、化纖絲、氨綸包芯紗和混紡紗線等
筒徑 13-16英寸
針距 16-28針/英寸
進紗路數 8 路
紗嘴 8個/路
選針器 16級,1個/路
成圈三角 1個/路
儲紗器 1個/路
送紗器 1個/路
恒張力送紗器 2個,最多可到10個
紗線傳感器 8個/路,容許減少到4個/路
主電機功率 3.6KW
壓縮空氣 流量:50L/min,壓力:0.6~0.7MPa
吸風空氣 流量:10M3,壓力:-0.8MPa
凈重
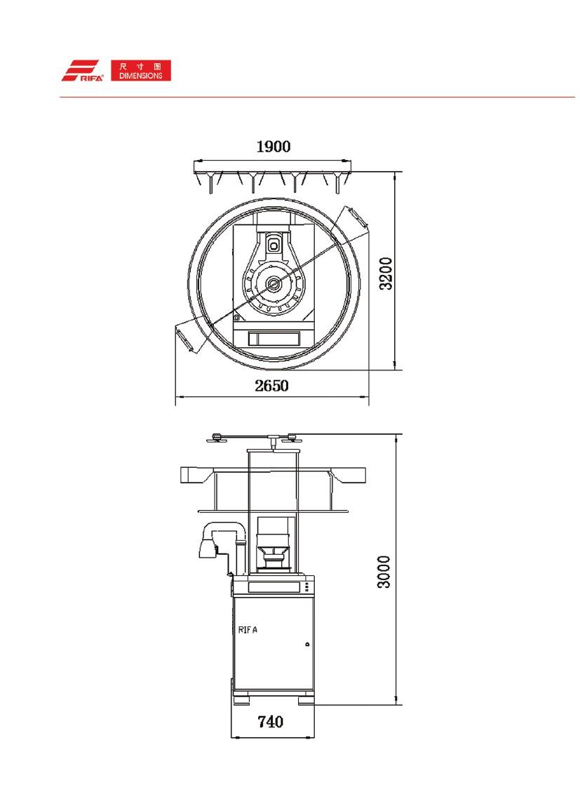
【 尺寸圖 】
.jpg)
<<上一頁[1][2][3]下一頁>>