----江蘇
常州吳越紡織器材有限公司
常州吳越紡織器材有限公司參加全球紡織機械制造業最具影響力的“2010年中國國際紡織機械展覽會ITMA亞洲展覽會”。
常州吳越紡織器材有限公司是一家生產噴氣、劍桿、片梭等無梭織機紡織器材及各種噴氣織機配件的專業化企業。公司主營業務包括:一、專業生產噴氣筘、劍桿筘、片梭筘。二、豐田、津田駒、畢加諾、道尼爾等噴氣織機的各種進口、國產配件。三、鋼片綜、停經片、鋁合金綜框、綜直條、停經條等紡織器材。四、專業維修鋼筘、開口臂等無梭織機器材配件。五、噴氣鋼筘出租。
公司裝備了具有最新水平的噴氣鋼筘異型筘片及自動化編筘生產線,采用了先進的氣流檢測及修復設備。產品筘面平整,筘眼均勻,送緯氣流穩定,完全符合行業標準,可滿足已進入國內的豐田、津田駒、畢加諾、道尼爾等各種型號進口噴氣織機及各種國產噴氣織機不同織物、不同車速的使用要求。
公司“同豐”牌紡織器材配件忠實地服務于紡織行業,愿與各紡織企業共創美好未來!
噴氣筘
一 噴氣筘簡介
本產品由不銹鋼異形齒、直齒、鋁合 金筘梁、筘邊、半園、不銹鋼彈簧、專用粘接劑等材料組成。
二 噴氣筘示意圖

三 產品分類

類型 |
a |
H |
J |
h1 |
h2 |
h3 |
d |
k |
津田駒 ZA100系列 |
12 |
110 |
105 |
12 |
18 |
51.5 |
8 |
5.5 |
津田駒 ZA200系列 |
12 |
122 |
113 |
12 |
18 |
56 |
8 |
5.5 |
津田駒 ZAX系列 |
12 |
<113 |
12 |
18 |
56 |
8 |
5.5 |
|
畢加諾 PAT系列 |
6 |
119 |
112 |
12 |
18 |
57 |
8 |
6 |
畢加諾 DELTA系列 |
12 |
110 |
104 |
12 |
18 |
54 |
8 |
5.5 |
畢加諾 OMNI系列 |
12 |
110 |
104 |
12 |
18 |
54 |
8 |
5.5 |
豐田 |
12 |
122 |
113 |
12 |
18 |
56 |
8 |
5.5 |
蘇爾壽 L5200 |
6 |
120 |
113 |
12 |
18 |
56 |
8 |
6 |
德國道尼爾 |
6 |
119 |
113 |
12 |
18 |
57 |
8 |
6 |
捷克 |
12 |
110 |
105 |
12 |
18 |
51 |
8 |
5.5 |
日產 LA51A |
12 |
122 |
113 |
12 |
18 |
56 |
8 |
5.5 |
德國聚納 |
6 |
119 |
112 |
12 |
18 |
57 |
8 |
6 |
四 噴氣筘輔筘
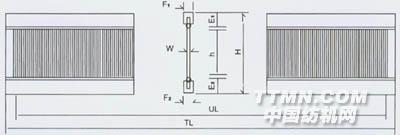
劍桿、片梭鋼筘
劍桿、片梭織機用鋼筘簡介
本產品采用鋁合金筘梁和優質高碳鋼筘片、高強度粘
劍桿、片梭筘示意圖 |
|
|
|
劍桿、片梭織機鋼筘分類
名 稱 |
代 號 |
基本尺寸 |
筘 號 |
RN |
16-136"/2" |
總 高 |
H |
90-180 |
總 長 |
TL |
≤6000 |
有效長度 |
UL |
根據客戶要求 |
筘梁高度 |
E1 |
10,12 |
E2 |
18,20 |
|
筘梁厚度 |
F1 |
8 |
F2 |
8 |
|
筘片寬度 |
W |
2.5-4 |
常州吳越紡織器材有限公司
地址:常州市雕莊中村工業園
電話:0519-88808575 88808915 88808925
傳真:0519-86576823
租筘熱線:0519-88806865 88802826
郵編:213100
網址:http://www.czwuyue.com
郵件: wymqf@163.com