回轉機構
拖動橋臂以軸為中心做旋轉運動,由于防止跑偏,通常由雙電機、減速機構、制動器組成。
三、系統控制方案及配置
在QTZ起重機中,起重量為8T,提升機構采用Y200L-4型異步電機,功率30kW,轉速1500rpm;小車采用Y112M-4型異步電機,功率4kW,轉速1500rpm;回轉機構采用Y112M-4型異步電機,功率4kW轉速1500rpm;控制系統,PLC主要功能是接收控制臺的指令,并檢測各種傳感器的信號,執行預先設定好的程序步驟;變頻器的主要功能是接收PLC指令,按照程序命令調整電機的速度
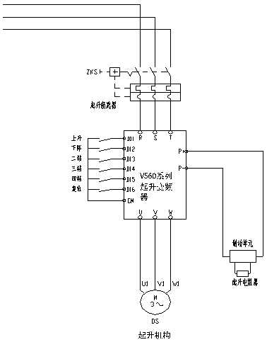
3.1 起升機構方案及配置
起升機構我們推薦采用V560高性能矢量變頻器,功率為45kW,V560高性能矢量算法強勁的低頻輸出力矩能夠保證低頻啟動不溜鉤。接線圖如下:

起升機構參數調試
設置電機參數
F2.0.00=*** 電機額定功率
F2.0.01=*** 電機額定電壓
F2.0.02=*** 電機額定電流
F2.0.03=*** 電機額定頻率
F2.0.04=*** 電機額定轉速
電機參數完成之后,F2.2.53=1啟動電機參數靜態自學習,學習完成之后,設置如下參數:
參數設定 | 代碼名稱 | 參數說明 |
F1.0.03=6 | 加速時間 | 加速時間為6S |
F1.0.04=3 | 減速時間 | 減速時間為3S |
F3.0.00=7 | DI1為正轉 | DI1為正轉 |
F3.0.01=8 | DI2為反轉 | DI2為反轉 |
F3.0.02=1 | DI3為多段速1 | DI3為多段速1 |
F3.0.03=2 | DI4為多段速2 | DI4為多段速2 |
F3.0.04=3 | DI5為多段速3 | DI5為多段速3 |
F3.0.05=13 | DI6為故障復位 | DI6為故障復位 |
F3.1.12=6 | DO1為故障輸出 | DO1為故障輸出 |
F6.0.00=25 | 第二段速度 | 25HZ |
F6.0.02=35 | 第三段速度 | 35HZ |
F6.0.06=45 | 第四段速度 | 45HZ |
F6.0.14=55 | 第五段速度 | 55HZ |
相關信息 







推薦企業
推薦企業
推薦企業