常州市合泰電機電器有限公司 |
|
| 聯系人:于益平 | 電話:0519-88898178(總機) 0519-88385510(銷售) |
| 傳真:0519-88770911 | 地址:江蘇省常州市武進區遙觀鎮勤新村工業集中區 |
| 郵編: | 郵箱:info@ht-motor.com |
| 網址:http://www.ht-motor.com | |
產品名稱:直流永磁電機
產品型號:110ZY
使用材料:-
產品規格:-
所屬分類:直流永磁電機系列
文檔下載:點擊下載PDF文件110ZY
產品簡介:
DCMOTOR(直流永磁電機)
GeneralSpecifications(詳細說明):
Magnet磁鐵…………………………………Ferrite鐵氧體
InsulationClass絕緣等級………………B130℃/F155℃
TemperatureRise溫升………………75KMAX
Protection&Cooling防護等級&冷卻………………IP40及以下&IC00
EnvironmentTemperatureandHumidit環境溫度及濕度………………+15℃~+35℃,45%~75%
Installation安裝方式………………IMB3/IMB5/IMB14底腳安裝/凸緣
ShaftOD出軸直徑………………Φ18.0mmMAX
Bearing軸承………………Ball滾動軸承
Winding繞線選擇……………………………
Voltage工作電壓范圍………………12~220VDC
Speed額定轉速范圍………………750~4500rpm
Power輸出功率范圍………………125~750W
Components配件………………Magneticencoder磁編碼器
ElectricalSpecifications(技術數據):
| 電機型號 Model |
額定電壓 Relted Voltage (V) |
空載轉速 Noload Speed (RPM) |
空載電流 Noload Current (A) |
額定轉速 Rated Speed (RPM) |
額定電流 Rated Current (A) |
額定轉矩 Reted Torque (N.N) |
額定功率 Reated Power (MM) |
機身長度 Length L (MM) |
| 110ZY12-001 | 12.0 | 1800 | 4.5 | 1500 | 33.5 | 1.8 | 282 | 209 |
| 110ZY150-001 | 150.0 | 2000 | 0.35 | 1300 | 3.5 | 2.7 | 367 | 209 |
| 110ZY180-001 | 180.0 | 4000 | 0.4 | 3770 | 4.0 | 1.5 | 600 | 209 |
| 110ZY220-001 | 220.0 | 3500 | 0.1 | 3000 | 4.2 | 2.2 | 700 | 209 |
*以上僅為代表產品,派生產品可根據客戶要求制作
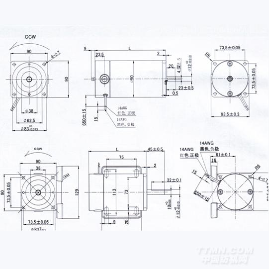
Mechanical Dimensions(外型圖)
.jpg)









|
無錫二橡膠股份有限公司 |
常州市潤源經編機械有限公司 |
|
青島云龍紡織機械有限公司 |
黃石經緯紡織機械有限公司 |